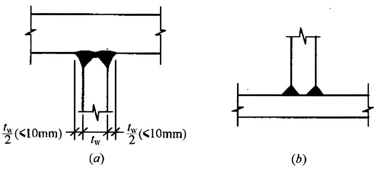
“对接和角接组合焊缝”:“既像‘对接焊缝’那样‘正面顶紧’传力,又像‘角接焊缝’那样‘侧面加固’防裂,是两种焊缝的‘强强联合’”—— 相当于给钢结构的连接做了 “双重保障”。
对接焊缝:像 “拼图对齐粘牢”
两块钢板的边缘直接靠在一起(比如平板拼接、钢板开坡口后对拢),焊缝填在对接的缝隙里,主要承受 “拉 / 压” 力(比如把两块钢板拉在一起、压在一起)。
优点是传力直接、受力均匀
缺点是如果钢板对接处有微小缝隙,或者受力有轻微偏移时,容易从对接缝边缘开裂;
角接焊缝:像 “L 型支架焊牢”
两块钢板成 90 度(或其他角度)搭在一起(比如钢板边缘搭在另一块钢板表面),焊缝是三角形的,填在两块板的夹角里,主要承受 “剪切” 力(比如防止两块板错开)。
优点是能加固连接的整体性、防错位,缺点是传力不如对接焊缝直接,应力集中在焊缝根部。
组合焊缝:把两者的优点凑一起
对接和角接组合焊缝,就是在同一个连接节点上,同时做了 “对接焊缝” 和 “角接焊缝”:
比如:把两块钢板开坡口对拢(先满足对接焊缝的形式),焊完对接缝后,再在两块板的夹角外侧(或内侧)加一道角焊缝
相当于 “先把两块板的核心接缝焊牢(对接),再给接缝加个‘加固箍’(角接)”。
强度更高:对接缝扛主力,角接缝补短板,整体能承受的力比单独一种焊缝大;
更耐用:减少应力集中(不会让力全堆在一个点),避免焊缝过早疲劳开裂;
容错性强:哪怕对接缝的焊接质量稍微有点瑕疵,角接焊缝能 “兜底”,防止小问题变大故障。
对接和角接组合焊缝,就是钢结构连接的 “双重保险”
用对接焊缝保证 “核心传力”,用角接焊缝保证 “稳固防裂”,专门用在对连接强度、可靠性要求高的关键部位,既靠谱又耐用。

未经允许不得转载:工程设计网 | 道路给排水结构 » 对接和角接组合焊缝

工程设计网 | 道路给排水结构
微信交流 
最新评论
抗扭计算中,纵筋和箍筋的数量要达到平衡,同时要满足最小配筋率要求